教育方案
国内第一家小型化、原型化、场景化、标准化工业数字孪生平台厂商
电力电子功率级快速控制原型实验平台
1、概述
在电力电子实验室中,大部分的实验平台都是基于晶闸管来设计,这样平台只能做演示性或验证性的实验,限制了学生动手能力和创新能力的培养,且故障率比较高,从而影响到学校正常的教学。
四川电科智造科技有限公司、北京灵思创奇科技有限公司和电子科技大学自动化研究所的团队经过多年的反复实验验证,开发出一套在电力电子、微电网、新能源等领域的教学/科研平台。此平台以实时仿真机为核心控制设备,借助MATLAB Simulink图形化编程界面,大大提高了本科教学和科研开发的效率。

2、特征优势
(1)基础课程
可以完成《电力电子基础》、《电机拖动基础》、《自动控制原理》等课程的相关基础实验;
(2)实验特性
平台可以开展验证性、设计性、综合性和创新性的实验,形成递进的实验层次,学生可以根据自己的情况,从简单的实验开始,逐部提高自己的能力;
(3)Simulink仿真
采用MATLAB Simulink图形化编程,快速验证算法;
(4)扩展性
平台软硬件配置灵活,硬件模块化设计,可随时升级为科研平台;
(5)可靠性
平台具备高可靠性的硬件设计,具备完善的保护功能,故障率低。
3、实验内容
❉单相不可控整流实验 ❉三相不可控整流实验 ❉Boost变换器实验 ❉Buck变换器实验
❉谐波检测及分析实验 ❉单相无源逆变实验 ❉三相SPWM无源逆变器实验 ❉三相SVPWM无源逆变器实验
❉双向DC-DC实验 ❉直流电机调速实验(需配置电机台)❉单相电网同步实验 ❉三相电网同步实验
4、实验示例
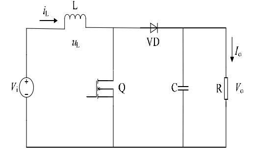
4.1 直流斩波实验(Boost斩波电路)
(1)实验目的
❉掌握Boost斩波电路工作原理及特点;
❉掌握Boost斩波电路仿真与调试方法;
❉对Boost斩波电路的特性进行分析。
(2)实验原理
直流-直流变流电路的功能是将直流电变为另一固定电压或可调电压的直流电,包括直接直流变流电路和间接直流变流电路。其中,直接直流变流电路又叫斩波电路,它包括降压斩波电路(BuckChopper)、升压斩波电路(BoostChopper)、升降压斩波电路(Buck/Boost)、Cuk斩波电路、Sepic斩波电路和Zeta斩波电路共六种基本斩波电路。Buck/Boost升降压斩波电路同时具有Buck斩波电路和Boost斩波电路的特点,能对直流电直接进行降压或者升压变换,应用广泛。Boost主电路结构图如下:

(3)实验内容
a.电感电流处于连续导通状态,电路个工作点波形的观测;
b.电感电流处于断续导通状态,电路个工作点波形的观测;
c.电感电流处于临界连续导通状态,电路各工作点波形的观测;
d.研究电感L变化对电路工作状态的影响;
e.占空比D与输出电压V0之间的函数关系测试;
(4)实验报告
a.电感电流处于连续导通状态,电路各工作点波形的观测
电感:12mH频率:10k电阻:629Ω占空比:0.5输入电压:150V

b.电感电流处于断续导通状态,电路个工作点波形的观测;
电感:2mH频率:3.3k电阻:629Ω占空比:0.1输入电压:150V

c.电感电流处于临界连续导通状态,电路各工作点波形的观测;
电感:6mH频率:3.3k电阻:629Ω占空比:0.1输入电压:150V

5、选型配置
产品名称 | 产品型号 | 系统配置 | |
电力电子功率级快速控制原型实验平台 | LINKS-RN-PE-01 | 实时仿真机 | RT-Cube |
实时仿真软件包 | Links-RT | ||
电感模块 | PLM | ||
电容模块 | PCM | ||
PSM采集模块 | PSM | ||
6、部分用户
❉电子科技大学 ❉集美大学 ❉中国矿业大学 ❉江南大学 ❉湖南大学