教育方案
国内第一家小型化、原型化、场景化、标准化工业数字孪生平台厂商
船舶电力推进平台
1、概述
电力推进系统实验平台是将数字仿真系统、实时仿真系统和实际的小比例实验系统整合为一体化仿真实验平台,在此平台上可开展针对电力推进船舶的结构参数优化设计及运行策略研究,通过稳态或动态仿真实验,分析影响船舶电力推进系统性能的因素,提供改进设计或优化操作的指导,为实际系统的论证或检验提供高效的解决方案。


(a)母型船推进系统

(b)小比例仿真推进系统
仿真母型船与小比例实验台的对比如上图所示,(a)为仿真母型船推进系统,由推进电机、传动轴以及螺旋桨组成;(b)为实物小比例仿真推进系统,由推进电动机、传动轴、弹性联轴器以及负载电动机组成。其中负载电动机的阻力矩,根据仿真母型船的船机桨数学模型计算得出。


2、特征优势
(1)数字仿真系统
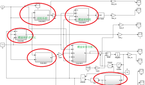
基于Matlab Simulink搭建船机桨模型,开展离线仿真研究,具体包括:进速比子系统模型、推力子系统模型、转矩系数子系统模型、推力减额系数子系统模型、伴流系数子系统模型、有效推力子系统模型、船速子系统模型、螺旋桨转矩子系统模型等。
(2)实时仿真系统
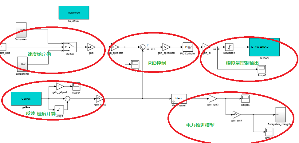
基于LINKS-BOX实时仿真器,构建船舶电力推进系统硬件在回路实时仿真系统,将在Simulink中搭建的船机桨动态数学模型与小比例实验平台结合运行,实现船舶电力推进系统的硬件在回路相关实验,为实船大系统的设计选型提供依据与指导。
(3)小比例实验系统
基于相似同构准则,构造目标船舶的小比例实物系统,包括小功率推进电机、传动轴、弹性联轴器和负载电机等组成。
3、实验内容
❋ 电力推进原理及半物理仿真模型搭建
❋ 电力推进正车启动、正车停车、倒车启动、倒车停车数字仿真实验
❋ 电力推进正车至倒车、倒车至正车数字仿真实验
❋ 电力推进正车启动、正车停车,倒车启动、倒车停车半物理仿真实验
❋ 电力推进物理模拟实验平台操作试验
❋ 电力推进模拟螺旋桨出水和入水实验
❋ 电力推进正车至倒车,倒车至正车半物理仿真实验
❋ 电力推进多轴联动半物理仿真实验
4、实验示例
(1)电力推进数字仿真实验
基于Matlab Simulink搭建电力推进船机桨模型如下图所示,基于此模型可以开展数字仿真实验,包括正车启动、正车停车、倒车启动、倒车停车、正车至倒车、倒车至正车等。



(2)基于小比例实验台的半实物仿真实验
基于相似同构准则构建的小比例实验台,能够真实模拟电力推进系统的运行,并且通过施加不同的负载转矩,模拟螺旋桨受阻、出水或脱落等极端工况。

5、现有用户
❋ 华中科技大学